Worldwide Chuck Services, Inc.

 

Chuck Repairs and ServiceWe Sell Lathe Chucks ActuatorsChuck Parts and AccessoriesJaws and Accessories

 
Worldwide Chuck Services is a master distributor of Kitagawa products.

Kitagawa Products Menu

Scroll Chuck
Four-Jaw Independent Chuck
Standard Thru-Hole Chuck
Big Bore High Speed Chuck
Super Big-Bore Power Chuck
Long Stroke Lever Style Chuck
Quick Jaw Change Chuck
Quick Jaw Change Chuck
Counter Balanced Chuck
Closed Center Chuck
Long Stroke Two-Jaw Chuck
Power Wing Chuck
Pull Back Chuck
Three-Jaw Pull Style Chuck
Four-Jaw Self-Centeriing Power Chuck
T-Nut

Two Stage Hydraulic Cylinder

High Speed Wheel Chuck
Self-Contained Air Chuck
Ultra High Precision
Collet
Standard Thru-Hole Cylinder
Big Bore High Speed Cylinder
Hydraulic Cylinder
Closed Center Cylinder
Stationary Air Cylinder
High Speed Air Cylinder
Work Gripper
Soft Jaw
Chuck Adapter
Hard Jaw

SB SERIES Soft Jaws

   Kitagawa's original equipment offers consistently high quality.


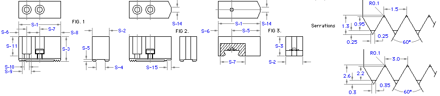
DIMENSIONS (Dimensions in Millimeters)

MODEL S-1 S-2 S-3 S-4 S-5 S-6 S-7 S-8 S-9 S-10 S-11 S-12 S-14 S-15 Serrations Fig.
SB04C1 48 19 23 8 3 8 15 25 11 6.6 15 M6 6 1.5x60° 2
SB04C1-036 48 19 36 8 3 8 15 25 11 6.6 28 M6 1.5x60° 1
SB04C1-048 48 19 48 8 3 8 15 25 11 6.6 40 M6 1.5x60° 1
SB04C1T 48 19 23 8 3 8 15 25 11 6.6 15 M6 1.5x60° 1
SB04C1T048 48 19 48 8 3 8 15 25 11 6.6 40 M6 1.5x60° 1
SB04B1 55 23 25 10 4 13 14 28 13.5 8.5 16 M8 3 13 1.5x60° 2
SB04B1-036 55 23 36 10 4 13 14 28 13.5 8.5 27 M8 3 1.5x60° 2
SB04B1-048 55 23 48 10 4 13 14 28 13.5 8.5 39 M8 3 1.5x60° 2
SB04A1T 55 23 25 10 4 13 14 28 13.5 8.5 16 M8 1.5x60° 1
SB04A1T048 55 23 48 10 4 13 14 28 13.5 8.5 39 M8 1.5x60° 1
SB04N1 49.5 23 23 10 4 10 14 25.5 13.5 8.5 14 M8 4 1.5x60° 2
SB04N1-036 49.5 23 36 10 4 10 14 25.5 13.5 8.5 14 M8 1.5x60° 1
SB04N1-048 49.5 23 48 10 4 10 14 25.5 13.5 8.5 14 M8 1.5x60° 1
SB05C1 57 23 31 10 3 10 18 29 13.5 8.5 22 M8 12 1.5x60° 2
SB05C1-038 57 23 38 10 3 10 18 29 13.5 8.5 29 M8 1.5x60° 1
SB05C1-053 57 23 53 10 3 10 18 29 13.5 8.5 44 M8 1.5x60° 1
SB05C1T 57 23 31 10 3 10 18 29 13.5 8.5 22 M8 1.5x60° 1
SB05C1T053 57 23 53 10 3 10 18 29 13.5 8.5 44 M8 1.5x60° 1
SB05B1 62 23 27 10 4 14 19 29 13.5 8.5 18 M8 12 14 1.5x60° 2
SB05A1-038 62 23 38 10 4 14 19 29 13.5 8.5 29 M8 1.5x60° 1
SB05A1-053 62 23 53 10 4 14 19 29 13.5 8.5 44 M8 1.5x60° 1
SB05A1T 62 23 27 10 4 14 19 29 13.5 8.5 18 M8 1.5x60° 1
SB05A1T053 62 23 53 10 4 14 19 29 13.5 8.5 44 M8 1.5x60° 1
SB05N1 54 23 25 10 4 12 14 28 13.5 8.5 16 M8 5 1.5x60° 2
SB05N1-038 54 23 38 10 4 12 14 28 13.5 8.5 29 M8 1.5x60° 1
SB05N1-053 54 23 53 10 4 12 14 28 13.5 8.5 44 M8 1.5x60° 1
SB06B1 72 31 32 12 5 15 20 37 17 11 20 M10 12 15 1.5x60° 2
SB06A1-066 72 36 66 12 5 15 20 37 17 11 54 M10 1.5x60° 1
SB06A2 75 32 36 12 6 19 20 36 17 11 23 M10 3.0x60° 1
SB06A2-057 75 32 57 12 6 19 20 36 17 11 44 M10 3.0x60° 1
SB06A2-077 75 32 77 12 6 19 20 36 17 11 64 M10 3.0x60° 1
SB06A1T 72 31 32 12 5 15 20 37 17 11 20 M10 1.5x60° 1
SB06A1T066 72 31 66 12 5 15 20 37 17 11 54 M10 1.5x60° 1
SB06C1 76.5 40 37 14 5 15 25 36.5 19 13 22 M12 1.5x60° 1
SB06L1A 66 26 28 12 5 12 20 34 17 11 16 M10 1.5x60° 2
SB06L1T 66 26 28 12 5 12 20 34 17 11 15 M10 5 12 1.5x60° 1
SB08B1 95 35 38 14 5 24 25 46 19 13 23 M12 12 20 1.5x60° 2
SB08A1-056 95 35 56 14 5 24 25 46 19 13 41 M12 1.5x60° 1
SB08A1-076 95 35 76 14 5 24 25 46 19 13 61 M12 1.5x60° 1
SB08A2 95 35 42 14 6 24 25 46 19 13 26 M12 3.0x60° 1
SB08A2-077 95 35 77 14 6 24 25 46 19 13 61 M12 3.0x60° 1
SB08A1T 95 35 38 14 5 24 25 46 19 13 23 M12 1.5x60° 1
SB08A1T056 95 35 56 14 5 24 25 46 19 13 41 M12 1.5x60° 1
SB08A1T076 95 35 76 14 5 24 25 46 19 13 61 M12 1.5x60° 1
SB10B1 110 40 42 16 5 30 30 50 19 13 27 M12 15 20 1.5x60° 2
SB10A1 110 40 42 16 5 30 30 50 19 13 27 M12 15 20 1.5x60° 2
SB10A1-056 110 40 56 16 5 30 30 50 19 13 41 M12 1.5x60° 1
SB10A1-080 110 40 80 16 5 30 30 50 19 13 65 M12 1.5x60° 1
SB10A1-116 110 40 116 16 5 30 30 50 19 13 101 M12 1.5x60° 1
SB10A2Q 110 40 42 16 6 30 30 50 19 13 26 M12 3.0x60° 1
SB10A2Q080 110 40 80 16 6 30 30 50 19 13 64 M12 3.0x60° 1
SB10A2 110 40 42 16 6 30 30 50 19 13 26 M12 3.0x60° 1
SB10A2-080 110 40 80 16 6 30 30 50 19 13 65 M12 3.0x60° 1
SB10A1T 110 40 42 16 5 30 30 50 19 13 27 M12 1.5x60° 1
SB10A1T080 110 40 80 16 5 30 30 50 19 13 65 M12 1.5x60° 1
SB12A1 129 50 50 18 5 39 30 60 23 15 30 M14 1.5x60° 1
SB12A1-090 129 50 90 18 5 39 30 60 23 15 70 M14 1.5x60° 1
SB12C1 129 50 50 18 5 32 38 59 23 15 35 M14 1.5x60° 1
SB12A2 129 50 50 18 6 32 38 59 23 15 34 M14 3.0x60° 1
SB12A2-127 129 50 127 18 6 32 38 59 23 15 111 M14 3.0x60° 1
SB12A1T 129 50 50 18 5 39 30 60 23 15 30 M14 1.5x60° 1
SB12A1T090 129 50 90 18 5 39 30 60 23 15 70 M14 1.5x60° 1
SB12N1 111 50 50 21 4 21 30 60 25 17 33 M16 1.5x60° 1
SB12N1-090 111 50 90 21 4 21 30 60 25 17 73 M16 1.5x60° 1
SB12N1T 111 50 50 21 4 21 30 60 25 17 33 M16 1.5x60° 1
SB15C1 165 62 66 22 8 37 43 85 32 21 42 M20 1.5x60° 1
SB15A1 156 62 70 22 8 36 60 60 32 21 45 M20 1.5x60° 1
SB15A1-110 156 62 110 22 8 36 60 60 32 21 85 M20 1.5x60° 1
SB15A2 156 62 70 22 9 36 60 60 32 21 45 M20 3.0x60° 1
SB15AQ 129 50 50 18 6 32 38 59 23 15 34 M14 3.0x60° 1
SB15C1T 165 62 66 22 8 37 43 85 32 21 42 M20 1.5x60° 1
SB15N1 135 50 60 25.5 5 26 43 66 32 21 39 M20 1.5x60° 1
SB15N1-110 135 50 110 25.5 5 26 43 66 32 21 89 M20 1.5x60° 1
SB18A2 180 65 70 25 9 40 60 80 32 21 45 M20 3.0x60° 1
SB18A2-110 180 65 110 25 9 40 60 80 32 21 85 M20 3.0x60° 1
SB24A2 210 75 90 25 9 40 80 90 32 21 65 M20 3.0x60° 1
SB24A2-130 210 75 130 25 9 40 80 90 32 21 105 M20 3.0x60° 1
SB06BB 90 32 30 24 54 36 68 5 3
SB06BB-040 90 32 40 24 54 36 68 5 3
SB08BB 106 37 38 28 64 42 76 14 3
SB08BB-056 106 37 56 28 64 42 76 14 3
SB10BB 125 42 42 31 76 49 88 26 3
SB10BB-060 125 42 60 31 76 49 88 26 3
SB12BB 139 42 50 34 90 49 92 30 3
SB12BB-070 139 42 70 34 90 49 92 30 3
PW-06 67.5 50.8 51 38.07 3.3 15 29.36 23.14 17 11 42.4 M10 8 2
PW-08 74 57 57.47 44.45 3.3 15 34.14 24.86 20 13.5 47 M12 1
PW-10 89.5 70.1 70.2 57.1 3.3 19 44.45 26.05 25 17 59 M16 1
PW-12 108.5 70.1 70.2 57.1 3.3 19 44.45 45.05 25 17 59 M16 1
PW-15 140 76.2 76.5 66.62 3.3 23.9 53.58 62.12 32 21 61.2 M20 1

 

 



About Us

Contact Us

Site Map

Location

 

Worldwide Chuck Services, Inc.

1430 Danner Drive
 Aurora,  OH  44202
Phone: (330) 562-4509
Fax: (330) 562-2022

 questions@WorldwideChuck.com

 

Improving the World's Grip on Parts

Search our site for:

     

 
Don't forget about our warranty ... the best in the business!